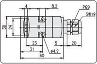
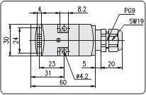
Veiligheidsschakelaar, 2 positieve-breuk veiligheids contacten

1.73.3122
€253,91
Verwachte levertijd: 2-3 werkdagen

  • Vakkundig advies van een specialist
  • Snelle levertijd door een grote voorraad
  • Meer dan 25 jaar ervaring

Veiligheidsschakelaar voor elektrische vergrijping van swing of schuifdeuren.
24V elektrische potentiaal of spoel.

Type AZM 170-02 zk - 024
4A / 230 VAC
IP 67

Product specificaties
Attribuut naam Attribuut waarde
Gewicht 300.0 g
Kleur Zwart
Diameter Ø4.3

Advies nodig?

Heeft u vragen en/of advies nodig?