Vervangen door 1.41.71E0110.1.60

1.41.710.1.60
Bel voor prijsopgave
Verwachte levertijd: 2-3 werkdagen

  • Vakkundig advies van een specialist
  • Snelle levertijd door een grote voorraad
  • Meer dan 25 jaar ervaring

Vervangen door 1.41.71E0110.2.60

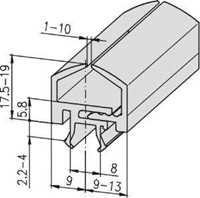
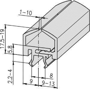
Inleg profiel voor een F of E profiel, voor de montage van panelen.
Geschikt voor panelen met een dikte van 1 mm tot 10 mm.

 

Product specificaties
Attribuut naam Attribuut waarde
Montagegroef F/E = (20x10 - 20x30 - 30x30 - 30x60 - 30x100 - 30x150 - 16x40 - 40x40 - 40x80 - 40x120 - 40x160 - 45x45 - 45x90 - 50x50 - 50x100 - 50x150 - 60x60 - 80x80 - 80x120 - 80x160 - 100x100 - 120x120)
Kleur Grijs
Gewicht per meter 181.0 g
Materiaal PVC

Product Downloads

Advies nodig?

Heeft u vragen en/of advies nodig?