Schroef verbinding, 50-M8/40

1.21.5S1M8/40
€4,82
Verwachte levertijd: Op aanvraag

  • Vakkundig advies van een specialist
  • Snelle levertijd door een grote voorraad
  • Meer dan 25 jaar ervaring

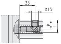
Schroef-type verbinding voor de verbinding van een 50 profiel.

Schroef heeft een afmeting van M8 en 40 mm lang.

Advies nodig?

Heeft u vragen en/of advies nodig?