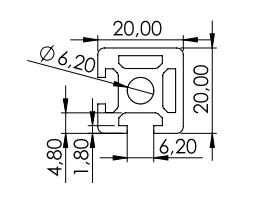
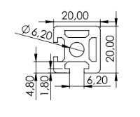
Profiel 20x20 2H Eck SP (zwaar)

1.10.020020.22SP
€13,23

Verwachte levertijd: 2-3 werkdagen

  • Vakkundig advies van een specialist
  • Snelle levertijd door een grote voorraad
  • Meer dan 25 jaar ervaring

Profiel 20x20 2H ECK SP - Zwaar profiel

 

Artikelnummer : 1.10.020020.22SP
Materiaal : Aluminium
Maat : 20x20mm
Groef  : 2H (2 groeven)
Type : SP - Zwaar profiel
   
Gegevens  
Traagheidsmoment :
Weerstandmoment  :
Gewicht (kg/m) : 0.68


Extra informatie:
 • Volle lengte bestaat uit 6 meter
 • Volle doos bestaat uit 10 lengtes
 • Op aanvraag boringen mogelijk
 • Alle bewerkingen worden gedaan in eigen huis