Busje, 16xE3, ST

1.21.STSB40
€1,46
*
Verwachte levertijd: Op aanvraag

  • Vakkundig advies van een specialist
  • Snelle levertijd door een grote voorraad
  • Meer dan 25 jaar ervaring

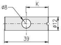
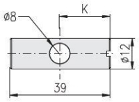
1.21.STSB40 - ST Busje 16 x E3

Speciale ST-connector voor een verbinding tussen een 16 profiel en een E3 profiel.

Geschikt voor een schroef type kop.

Advies nodig?

Heeft u vragen en/of advies nodig?