Busje standaard, 45-F/E

1.21.B45
€1,44
*
Verwachte levertijd: 2-3 werkdagen

  • Vakkundig advies van een specialist
  • Snelle levertijd door een grote voorraad
  • Meer dan 25 jaar ervaring

1.21.B45 - Busje standaard 45 F/E


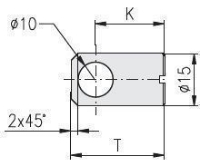
Standaard busje voor de verbinding van een 45 stramien profiel met een F of E profiel.

Advies nodig?

Heeft u vragen en/of advies nodig?