Profiel 40x40, 3E LP

1.11.040040.33LP
€23,68

Verwachte levertijd: 2-3 werkdagen

  • Vakkundig advies van een specialist
  • Snelle levertijd door een grote voorraad
  • Meer dan 25 jaar ervaring

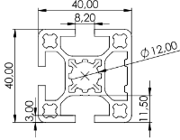
Profiel 40x40, 3E, LP - Licht profiel

Ons 40×40 mm profielsysteem met 3 groeven (8,2 mm breed) is ideaal voor toepassingen waar een strakke aanzichtzijde gewenst is. Denk aan toepassingen zoals ramen, schuifdeuren of omkastingen, waar een nette aanzichtzijde gewenst is, maar de overige groeven functioneel blijven.

Het kerngat van 12 mm is geschikt om te tappen naar M14, of via een inschroefmoer te verkleinen van M14 naar bijvoorbeeld M8 voor montage van een zwenkwiel of andere toepassing. Ook kan direct een M14-spindel voor een stelvoet worden ingedraaid voor een stevige verbinding.

Het profiel is volledig compatibel met het MAYTEC-systeem en is toepasbaar in soortgelijke modulaire constructies.

Bij Alucomp – Inducomp BV denken wij graag met u mee. Een simpele schets is voor ons al genoeg om aan de slag te gaan. Wij maken kosteloos een tekening en offerte voor u op.

Alle bewerkingen voeren wij zelf uit: zagen, boren, tappen, frezen en kameren. Ook montage is mogelijk. Zo nemen wij u het hele proces uit handen, van idee tot oplossing met aluminium profielen.

Artikelnummer : 1.11.040040.33LP
Materiaal : Aluminium
Afmeting : 40x40mm
Groef  : 3E (3 groeven)
Type : LP - Licht profiel
   
Gegevens  
Traagheidsmoment : Ix 9.4 / Iy: 10
Weerstandmoment  : Wx: 4.7 / Wy: 5.0
Gewicht (kg/m) : 1.5

 

Extra informatie:

 • Volle lengte bestaat uit 6 meter
 • Volle doos bestaat uit 8 lengtes
 • Op aanvraag andere bewerkingen mogelijk
 • Alle bewerkingen worden gedaan in eigen huis

Materiaaleigenschappen:
Onze profielen zijn gemaakt van aluminium 6063 T66, een hoogwaardige legering die ook in de vliegtuigbouw wordt toegepast. Dit materiaal combineert uitstekende vormbaarheid bij het extruderen met een hoge corrosiebestendigheid.

Het profiel is geanodiseerd (E6 EV1) via elektrolytische oxidatie. Dit zorgt voor:

 • Langdurige bescherming, tegen slijtage en invloeden van buitenaf
 • Eenvoudig onderhoud, dankzij het gladde, harde oppervlak
 • Duurzaamheid, het aluminium is volledig recyclebaar

Elke profiel wordt na het extruderen en anodiseren gecontroleerd, zodat je altijd kunt rekenen op een constante, hoge kwaliteit.

 

Product specificaties
Attribuut naam Attribuut waarde
Montagegroef E = (16x40 - 40x40 - 40x80 - 40x120 - 40x160 - 45x45 - 45x90 - 50x50 - 50x100 - 50x150 - 60x60 - 80x80 - 80x120 - 80x160 - 100x100 - 120x120)
Afmeting 40x40
Legering 6063 T66
Anodisatie E6 EV1 10µm
Groefmaat (breedte) E3 - 8.2mm